Umum
Engine
fuel system dirancang untuk memberikan aliran bahan bakar ke dalam ruang
pembakaran(combustion chamber) dan servo fuel untuk kompresor dan engine
clearance system actuation.
Fuel Feed
Bahan
bakar yang berasal dari tangki pesawat mensuplai pompa bahan bakar utama dan dipanaskan
oleh engine oil scavenge line sebelum masuk ke hydromechanical unit ( HMU ). Fuel
differential pressure switch memberikan indikasi ke cockpit jika filter mengalami
clogged.
Metered Fuel
Bahan
bakar dari pompa utama melewati fuel metering valve dan HP fuel shut-off valve dimasukkan
ke hydromechanical unit yang menyediakan bahan bakar mengalir ke nozel. Sebuah burner
staging valve dikendalikan oleh ECU mensuplai 10 atau 20 nozel pada power yang lebih
rendah atau lebih tinggi. Fuel metering valve dikendalikan oleh ECU dan memberikan
aliran fuel yang memadai. Aliran bahan bakar diukur dengan flow meter untuk
indikasi di cockpit. LP dan HP Fuel shut off valves menutup ketika tuas ENG MASTER
di seting ke OFF.
Servo Fuel
Fuel di
filter(disaring) dari wash filter melewati pemanas fuel servo dan ke katup
servo dari hydromechanical unit dan fuel return valves. Di dalam hydromecanical
unit katup servo secara hidraulis didorong melalui torque motors oleh ECU untuk
menjalankan pengoperasian:
-
Variabel Stator vanes (VSV)
-
Variabel Bleed Valves (VBV)
- Rotor Active Clearance Control (RACC)
(tidak dipasang di engines terbaru)
- HP Turbine Clearance Control
(HPTACC)
- LP Turbine Clearance Control (LPTACC)
- Burner Staging Valve
- Fuel Metering Valve
Fuel Return
Suatu bagian dari fuel adalah
memberikan pengembalian pendinginan minyak IDG sebelum kembali ke fuel circuit
bakar pada LP pump stage. Ketika pertukaran panas belum cukup, Katup fuel return akan dibuka oleh
ECU, di suhu tertentu. Jika suhu oli mesin melebihi 93⁰C, ECU akan mengirimkan sinyal untuk membuka katup fuel
return. Sinyal terhambat pada saat Take-Off, Climb dan ketika suhu tangki
pesawat yang tinggi atau ada bahan bakar di ventilasi pada tangki. Sebuah sinyal
hidrolik dari HP fuel SOV menutup katup pada saat engine shutdown.
ECU Control
ECU mengirimkan electrical signal ke
servo valves torque motor dari kedua
HMU dan fuel return valve. Dengan
demikian, ia dalam posisi siap diperintahkan untuk
slave system. Untuk setiap katup
VBV, VSV, RACC, HPTACC, LPTACC, dan sistem bahan bakar ECU memiliki jadwal
kontrol. Jika sedang tidak beroperasi, corresponding valve menjadi fail safe
position. Sebagai contoh: VBV terbuka, VSV tertutup, burner staging valve
terbuka, fuel metetring valve menutup (engine shut-down).
Gambar1.1 Fuel System Schematic
FUEL DISTRIBUTION COMPONENTS
1. FUEL PUMP
Fuel
pump dan HMU dipasang sebagai satu unit. Sistem fuel pump drive terdiri dari:
Fuel Pump LP Stage
LP
stage dari the fuel pump adalah jenis sentrifugal. Ini memberikan dorongan tekanan
ke tahap HP untuk menghindari kavitasi pompa. Karakteristik
LP stage yang umum pada saat takeoff
power adalah sebagai berikut:
- · Tekanan Discharge: 174 psi (1200 kPa)
- · Speed rating: 6250 RPM
Fuel Pump HP Stage
HP
stage hydraulic power disuplai oleh positive displacement (gear type) pump.
Untuk sejumlah .perubahan tertentu, pompa memberikan aliran bahan bakar yang
konstan tanpa memperhatikan discharge pressure. Sebuah
pressure valve terhubung secara paralel dengan pompa HP melindungi pompa tersebut. Karakteristik
HP stage secara umum pada saat takeoff power adalah sebagai berikut:
- · Discharge Pressure: 870 psi (6000 kPa)
- · Speed Rating: 6250 RPM
- · Fuel Flow: 57 US gal/min (13000 l/h).
Tempat Fuel
pump terletak pada aksesori gearbox (AGB) (aft
face on the left
side of the horizontal drive shaft
housing, aft looking forward).
Gambar1.2 Fuel Pump & Fuel Filter
2. FUEL FILTER
Umum
Fuel filter
melindungi HMU dari partikel di dalam suspensi pada fuel. Fuel filter terdiri
dari filter cartridge sekali pakai dan pressure relief valve. Filter cartridge
dipasang di rongga pada bagian dalam pompa. Fuel mengalir dari luar ke dalam
catridge filter. Dalam kasus filter yang tersumbat, pressure relief valve
bypasses fuel untuk HP stage.
Location
Tempat
fuel filte terletak antara oil/fuel heat exchanger dan fuel pump HP stage.
FUEL FILTER DIFFERENTIAL
PRESSURE SWITCH
Fuel filter
differential pressure switch terletak di fan case. Switch mengirimkan sinyal ke
SDAC bila differential pressure meningkat ke tingkat tertentu ketika fuel
filter clogs. Fuel filter
clogs indication terdapat di bawah ECAM display unit.
Gambar1.3
Fuel Filter
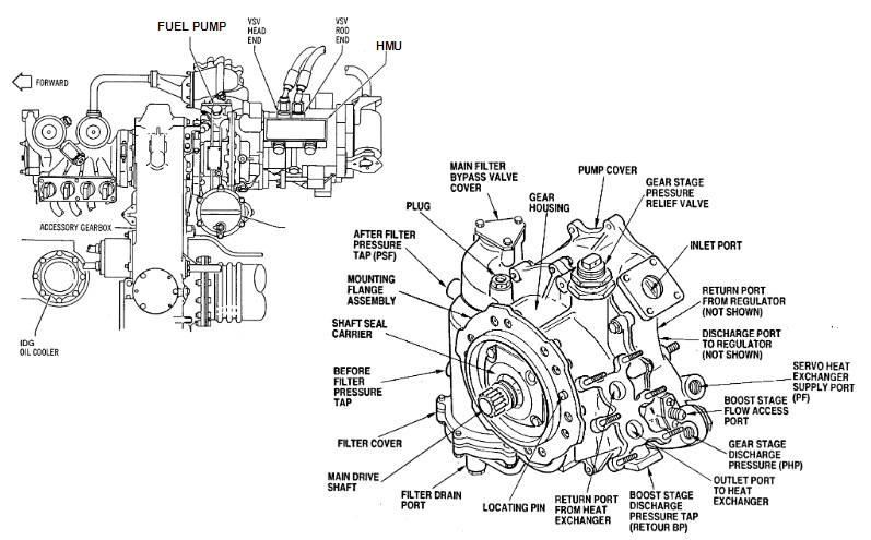
HYDROMECHANICAL CONTROL UNIT
Umum
Unit
hydromechanical (HMU) dipasang pada sisi belakang dari gearbox aksesori di
extreme left hand pad. Ini menerima sinyal listrik dari electronic control unit
(ECU) dan mengubah sinyal-sinyal
input kelistrikan melalui torque motors/servo valves ke engine fuel flow dan
sinyal hidrolik untuk berbagai sistem eksternal. Engine fuel digunakan sebagai
media hidrolik.
Gambar1.4 HMU
FUEL METERING OPERATION
HMU ini
dibagi dalam sistem berikut:
- · Servo Pressure Regulator System
- · Fuel Metering System
- · Overspeed Governor System
- · Pressurizing Valve (HP Fuel SOV)
- · Pump Unloading and Shutdown System
- · Servo Flow Regulation System.
Fuel Metering Valve
Fuel
metering valve secara hidrolik didorong melalui torque motor/ servo valve oleh
ECU. Torque motor berisi dua electrically isolated, independent coils, satu
diperuntukan untuk chanel A, yang lain ke Channel B dari ECU. Dua fuel metering
valve di posisi akhir, salah satu yang diperuntukan untuk setiap chanel di ECU,
menghasilkan sinyal umpan balik listrik sebanding dengan fuel metering valve.
ECU menggunakan sinyal ini untuk menghitung arus yang dibutuhkan di fuel
metering valve torque motor untuk mencapai putaran kontrol listrik tertutup. Pada saat engine shutdown ,metering
valve akan menutup dengan sempurna.
Delta P Valve
Sebuah differential valve mengatur
mempertahankan penurunan tekanan konstan di metering
valve. Akibatnya, aliran bahan bakar bervariasi secara proporsional dengan posisi
metering valve.
High Pressure Fuel shut-off valve
Valve
didorong oleh solenoid. Posisi valve ditutup / tidak tertutup adalah di
indikasikan ke ECU oleh dua electrical switch limit. Fuel shut-off valve menutup/memutus
aliran bahan bakar ke engine yang diperintahkan oleh Master switch (solenoid
energized by aircraft 28VDC from busbar 3PP).High Pressure Fuel shut-off valve
terbuka ketika semua tiga kondisi berikut dipenuhi:
-
perintah untuk membuka dari aircraft (soleinoid de-energized)
-
kecepatan putaran mesin di atas 15% N2
- Fuel
pressure.
Overspeed Governor
Overspeed
Governor adalah fly ball type. Hal ini dirancang untuk mencegah engine yang melebihi
kecepatan stabil lebih dari 106,3% N2. Sebuah pressure switch mengirim sinyal
ke ECU jika overspeed governor fail ketika engine start (OVSPD Protection fail).
HMU
terdapat 5 tambahan torque motors/servo pilot valves yang mengatur sinyal
hidrolik sebagai berikut:
1 - Low Pressure Turbine Clearance
Control Valve
2 - High Pressure Turbine Clearance
Control Valve
3 - Rotor Active Clearance Control
System
(tidak terpasang pada engine baru)
4 - Variable Stator Vane Actuators
5 - Variable Bleed Valve Actuators
Setiap torque
motor berisi dua isolated electric, independen coil. Satu diperuntukan untuk
channel A, yang lain untuk channel B, dari ECU. Mereka menyediakan aliran dan
tekanan pada pressure port HMU dalam menanggapi perintah electrical dari ECU.
Gambar1.5
HMU
HP & LP FUEL SOV CONTROL
HP fuel
shut off valve control sepenuhnya listrik. Hal ini dilakukan dari panel engine
di cockpit sebagai berikut:
- Pembukaan HP fuel SOV:Itu dikendalikan oleh ECU: ECU menerima perintah dari MASTER control switch dan mode slector switch.
- Penutupan HP fuel SOV:Ini dikendalikan langsung dari MASTER control switch dalam posisi OFF.
- HP Fuel Shut Off Valve ControlSistem kontrol FADEC berisi dua fuel shut-off berarti, yang bertindak melalui pilot valves untuk menutup high pressure fuel shut off valve. Sebuah fuel shut-off yang langsung didesain untuk MASTER control switch. Solenoid ini dioperasikan Pilot valve ,didukung oleh 28VDC. Ini ditutup saat sangat bererenergi. Ketika metering valve diposisikan di bawah fuel flow position dioperasikan secara mekanis pilot valve di HMU menutup pressure valve. Fungsinya untuk logic software dihambat untuk mencegah operasi dan pada posisi diam. Fuel shut off valve memenuhi konsep berikut. pressurizing valve tidak akan terbuka dengan meningkatkan tekanan (bahkan jika kedua pilot valve menunjukkan “ON”) sampai HP fuel pump menyediakan cukup tekanan untuk membukanya. Hilangnya pasokan listrik tidak mengarah untuk mengubah posisi HP fuel shutoff valve diperintahkan. tertutup ketika HP fuel shutoff valve yang dipilih (open) tegangan transien tiruan untuk membuka (close) tidak menyebabkan pembukaan permanen (closure) dari fuel valve. cockpit memerintahkan OFF coil memiliki prioritas di atas perintah ECU. Cockpit control interfaces directly with the HP fuel shut-off solenoid. Valve yang berisi kumparan yang mengoperasikan HP shut-off ditutup ketika energized. Solenoid adalah dari jenis menempel. Ini dapat dipasang baik terbuka atau tertutup sampai sinyal kembali diterapkan. Fungsi terbuka adalah pada saat mengalirnya hydraulic dengan kait magnetik. Sebuah sinyal yag tertutup akan di prioritaskan.
- LP Fuel Shut-Off
Valve ControlFungsi dari LP fuel shut-off valve adalah untuk
mengontrol pasokan bahan bakar di engine ke pylon interface. Valve ini terletak di engine supply system di
bagian depan. Valve operation LP fuel shut off valve dikontrol:
Dari flight compartment overhead panel menggunakan tombol switch FIRE ENG
Dari flight compartment center pedestal dengan menggunakan tombol MASTER switch control pada engine control panel.
Gambar1.6 HP fuel SOV Control
- LOW PRESSURE FUEL SHUT OFF VALVE
Dengan engine. Low
pressure fuel - valve biasanya terbuka dan dalam konfigurasi/pengaturannya
memungkinkan fuel melalui engine tersebut. Ketika salah satu Low pressure fuel
- valve tertutup, fuel akan terisolasi dari low pressure fuel valve engine ini.
Low pressure fuel - valve
dipasang antara tiang mesin (engine pylon) dan bagian depan
permukaan depan spar
wing (antara RIB 8 dan RIB 9). Setiap low pressure valve memiliki 9QG aktuator
(10QG). Jarak antara aktuator dan low pressure valve yaitu spindle valve.
Ketika aktuator diberi energy(power), akan menggergerakan low pressure valve ke
posisi terbuka atau tertutup. Sebuah V - Band clamp 80QM (81QM) mengingatkan aktuator
ke low pressure valve.
Setiap aktuator
memiliki dua motors, yang mendapatkan pasokan listrik dari berbagai sumber:
- the 28VDC BATT BUS supplies the
motor 1
- the 28VDC BUS 2 supplies the motor
2.
Jika kerusakan
terjadi pada rangkaian listrik, perlu untuk memastikan bahwa valve masih dapat
beroperasi. Sehingga pasokan listrik untuk masing-masing motor(penggerak)
berjalan melalui routing yang berbeda. Routing untuk motor(penggerak) 1 adalah
sepanjang front spar.
Routing untuk motor(penggerak)
2 adalah sepanjang forward spar dan melalui flap track fairing at RIB 6. Aktuator
mengirim data posisi ke Data System – perolehan oncentrators C (SDAC1 dan
SDAC2). The SDACs memproses data dan mengirimkannya
ke ECAM yang
menunjukkan informasi pada halaman/bagian “Fuel”.
Component Description
The LP fuel - valve memiliki:
- a valve body
- a ball valve
- a valve spindle
- a mounting flange
Low pressure fuel - valve
actuator memiliki dua motor(penggerak) listrik yang sama dengan diferensial
- gear untuk mengubah ball valve sampai 90⁰.
Batas switch di aktuator control ini yaitu
90 deg. Gerakan dan pengaturan rangkaian listrik untuk operasi berikutnya.
Salah satu dari dua motor(penggerak) dapat membuka atau menutup valve jika yang
motor(penggerak) yang lain tidak beroperasi.
Aktuator drive shaft
akan melihat/merasakan indikator mana yang akan melalui actuator body.
Penglihatan/perasaan indikator memberikan indikasi posisi valve tanpa melepas fuel low pressure fuel valve.
Gambar1.7
Low Pressure Fuel Shut-Off Valve
3. FUEL RETURN SYSTEM COMPONENTS
GENERAL DESCRIPTION
Oil/Fuel Temperature Control
IDG oil harus didinginkan oleh
engine fuel melalui oil/fuel exchanger yang
dipasang di fuel bypass line. Untuk beberapa operasi pesawat, panas yang berlebih
tidak akan masuk, fuel harus dikeluarkan dari engine fuel system melalui valve
Fuel Return Valve(FRV) agar tidak melebihi batas suhu yang ditentukan (baik engine
fuel/oil temperature atau IDG oil temperature). FADEC melakukan pengontrolan suhu ini menggunakan engine oil
temperature dan engine fuel
measurement. FADEC memiliki dua tindakan
tergantung pada besar suhu dan kondisi pesawat saat terbang:
·
Perintah dari FRV yaitu untuk mengizinkan fuel kembali ke tangki
pesawat
Meningkatkan kecepatan engine ketika
suhu fuel 106⁰C. (yang
mengarahkan untuk menurunkan suhu fuel flow ). Ini berfungsi untuk menghambat
ketika pesawat berada di ground.
Tujuan
dari fuel return valve adalah untuk mengembalikan aliran bahan bakar ke tangki.
Aliran
bahan bakar yang dikembalikan dikendalikan di IDG oil cooler outlet oleh:
- · Engine oil temperature (sinyal dari TEO)
- · Fuel temperature
Shut Off Function
Fuel return valve memiliki fungsi menutup
ketika engine shutdown. (Solenoid de-energized) dari saklar kontrol ENG /
MASTER. Transit sinyal melalui Arinc bus dan ECU serta overrides engine “oil in”
temperature command. Dalam kasus kondisi aliran bahan bakar yang tinggi sinyal electrical
membuka overrided oleh sebuah sinyal hydraulic dari HMU dan katup penutup
ditutup. Perintah untuk “menutup” dari HMU menyela keduanya, bahan bakar
mengalir ke pesawat.
Fuel Level Sensing Control Unit
(FLCSU) mengirimkan juga FRV-Penghambatan
sinyal ke ECU, jika:
- · Fuel Tank Temp. high
- · Low Fuel Level in the Tanks
- · Fuel in Surge Tank
- · Gravity Feed .
Gambar1.8
Fuel Return System
Gambar1.9
IDG oil cooler
FUEL NOZZLE
Fuel nozzle mendistribusikan dan menyemprotkan
suatu cairan bahan bakar untuk memberikan pengapian dan diterima dalam
ruang bakar pada pengoperasian mesin. nozel harus berkontribusi untuk
tingkat emisi diterima dari pembakaran, baik awal dan kemampuan ketinggian re-light, dan api pada perlambatan untuk
menghindari kebakaran 30 nozel bahan bakar yang diperlukan. Mereka adalah flange dan dipasang ke frame
kompresor belakang dengan tiga baut. pasokan bahan bakar adalah melalui ‘”
B" nut kopling dan spherical seat dengan tabung bahan bakar yang
melebar.
Gambar1.10
Fuel Nozzle












pAS
BalasHapus